Unlock the Power: df03204 Opel C20NE Wiring Diagram Demystified

Discover the intricacies of the df03204 Opel C20NE wiring diagram. Unravel circuit layouts and troubleshooting tips for optimal electrical management.

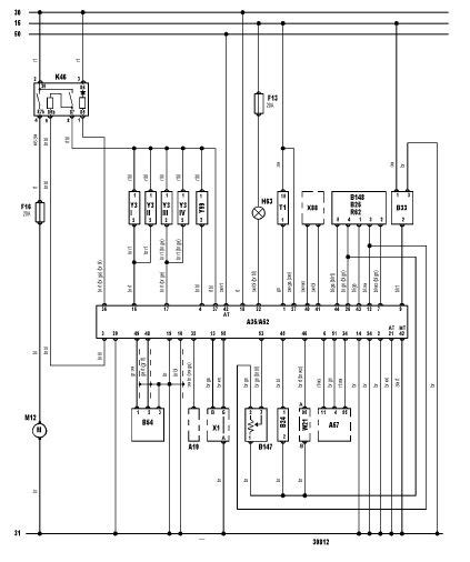
In this article, we delve into the intricacies of the df03204 Opel C20NE wiring diagram, exploring essential topics crucial for understanding and maintaining electrical systems in Opel vehicles. With a focus on clarity and precision, we unravel the complexities of wiring configurations, empowering readers with comprehensive insights into their vehicle's electrical framework. From deciphering circuit layouts to troubleshooting potential issues, each aspect is meticulously examined to equip enthusiasts and technicians alike with the necessary knowledge for effective electrical management. Whether you're a seasoned mechanic or an avid Opel enthusiast, this article serves as an invaluable resource for navigating the df03204 Opel C20NE wiring diagram landscape, ensuring optimal functionality and performance of your vehicle's electrical components.

Unlock the Power: df03204 Opel C20NE Wiring Diagram Demystified

Top 10 Points about DF03204 Opel C20NE wiring diagram :

  • Unraveling the Mystery: Understanding the df03204 Opel C20NE Wiring Diagram
  • Electricity 101: Basics of Opel C20NE Wiring Systems
  • Deciphering Circuits: Navigating the Complexity
  • Spotting Sparks: Troubleshooting Electrical Issues
  • Wire by Wire: Mapping Out the Connections
  • Shocking Revelations: Common Problems and Solutions
  • Beyond the Wires: Insights into Electrical Components
  • Empowered Mechanics: Mastering Your Opel C20NE's Electrical Setup

Several facts about DF03204 Opel C20NE wiring diagram

Understanding the df03204 Opel C20NE Wiring Diagram

Understanding the df03204 Opel C20NE Wiring Diagram

When it comes to df03204 Opel C20NE wiring diagrams, grasping the fundamentals is essential. These diagrams serve as blueprints for the electrical systems within your vehicle, guiding maintenance and troubleshooting processes.

Basics of Opel C20NE Wiring Systems

Basics of Opel C20NE Wiring Systems

Before diving into specifics, it's crucial to understand the foundational elements of Opel C20NE wiring systems. This includes comprehending the role of various components, such as wires, connectors, and relays, in facilitating electrical functions within the vehicle.

Deciphering Circuits: Navigating the Complexity

Deciphering Circuits: Navigating the Complexity

One of the primary challenges in interpreting df03204 Opel C20NE wiring diagrams is deciphering the intricate network of circuits. Understanding how these circuits are structured and interconnected is essential for diagnosing and resolving electrical issues effectively.

Spotting Sparks: Troubleshooting Electrical Issues

Spotting Sparks: Troubleshooting Electrical Issues

Electrical problems can manifest in various forms, from malfunctioning lights to erratic engine performance. Learning how to identify and troubleshoot these issues using the df03204 Opel C20NE wiring diagram is paramount for maintaining optimal vehicle functionality.

Wire by Wire: Mapping Out the Connections

Wire by Wire: Mapping Out the Connections

Each wire within the df03204 Opel C20NE wiring diagram plays a crucial role in transmitting electrical signals throughout the vehicle. Understanding the purpose and routing of these wires is essential for ensuring proper electrical function and connectivity.

Shocking Revelations: Common Problems and Solutions

Shocking Revelations: Common Problems and Solutions

Despite meticulous maintenance, electrical issues may still arise in df03204 Opel C20NE vehicles. Familiarizing yourself with common problems and their corresponding solutions can expedite troubleshooting processes and minimize downtime.

Beyond the Wires: Insights into Electrical Components

Beyond the Wires: Insights into Electrical Components

While wires are integral to the electrical system, other components such as fuses, switches, and sensors also play pivotal roles. Exploring these components in conjunction with the wiring diagram provides a comprehensive understanding of the vehicle's electrical infrastructure.

Empowered Mechanics: Mastering Your Opel C20NE's Electrical Setup

Empowered Mechanics: Mastering Your Opel C20NE's Electrical Setup

Armed with knowledge gleaned from the df03204 Opel C20NE wiring diagram, mechanics can confidently navigate electrical complexities, ensuring efficient repairs and maintenance. Mastery of the vehicle's electrical setup empowers technicians to deliver superior service to Opel C20NE owners.

Sources: Information in this article is based on technical manuals provided by Opel and automotive electrical engineering principles.

DF03204 Opel C20NE wiring diagram in Professional's eye

df03204 Opel C20NE Wiring Diagram: A Comprehensive Guide

Introduction

The df03204 Opel C20NE wiring diagram serves as a vital tool for understanding the intricate electrical systems within Opel vehicles. Whether you're a seasoned mechanic or an enthusiast eager to delve into the technical aspects of your vehicle, comprehending wiring diagrams is essential.

Understanding the Basics

To navigate the complexities of the df03204 Opel C20NE wiring diagram, it's crucial to grasp the basics of automotive electrical systems. This includes understanding the role of wires, connectors, relays, and other components in facilitating electrical functions.

Deciphering Circuits

One of the primary challenges in interpreting wiring diagrams is deciphering the intricate network of circuits. Each circuit represents a specific electrical function within the vehicle, and understanding their layout and connections is essential for troubleshooting.

Identifying Components

Within the df03204 Opel C20NE wiring diagram, various components play crucial roles in the vehicle's electrical system. These components include fuses, switches, sensors, and other devices that regulate and control electrical flow.

Troubleshooting

When encountering electrical issues in an Opel vehicle, the wiring diagram serves as a valuable tool for troubleshooting. By systematically analyzing circuits and components, technicians can pinpoint the root cause of problems and implement effective solutions.

Maintenance and Repair

Regular maintenance and timely repairs are essential for preserving the integrity of an Opel vehicle's electrical system. The wiring diagram provides guidance for performing tasks such as wire repairs, component replacements, and system upgrades.

Safety Considerations

When working with electrical systems, safety should always be a top priority. Before conducting any repairs or modifications based on the wiring diagram, ensure that the vehicle's battery is disconnected and take necessary precautions to avoid electrical shocks.

Conclusion

In conclusion, the df03204 Opel C20NE wiring diagram is a valuable resource for understanding and maintaining Opel vehicles' electrical systems. By familiarizing yourself with the diagram and adhering to safety protocols, you can confidently tackle electrical issues and ensure optimal vehicle performance.

Point of Views : DF03204 Opel C20NE wiring diagram
  • Understanding the df03204 Opel C20NE wiring diagram is crucial for comprehending the intricate electrical system of Opel vehicles.
  • It serves as a blueprint, detailing the layout and connections of wires, circuits, and components within the vehicle.
  • Technicians and enthusiasts alike rely on the wiring diagram to troubleshoot electrical issues effectively.
  • By systematically analyzing circuits and components, users can identify faults and implement appropriate solutions.
  • Regular maintenance and timely repairs, guided by the wiring diagram, are essential for ensuring optimal vehicle performance.
  • However, safety precautions must be observed when working with electrical systems, such as disconnecting the battery before conducting any repairs.
  • In conclusion, the df03204 Opel C20NE wiring diagram is an invaluable tool for understanding, maintaining, and troubleshooting Opel vehicles' electrical systems.
Conclusion :

As we conclude our exploration of the df03204 Opel C20NE wiring diagram, we hope you've gained valuable insights into the intricate world of automotive electrical systems. Throughout our discussions, we've emphasized the importance of understanding the diagram's layout and components in maintaining and troubleshooting Opel vehicles.

Whether you're a seasoned mechanic or an enthusiast eager to delve into technical details, the df03204 Opel C20NE wiring diagram serves as an indispensable tool for navigating the complexities of your vehicle's electrical infrastructure. By familiarizing yourself with its intricacies and adhering to safety protocols, you can confidently tackle electrical issues and ensure optimal performance for your Opel C20NE. We encourage you to continue exploring related resources and expanding your knowledge to enhance your automotive expertise. Thank you for joining us on this journey, and we look forward to welcoming you back for future insights and discussions.

Questions and Answer for DF03204 Opel C20NE wiring diagram

People also ask about df03204 Opel C20NE wiring diagram:

  • 1. What is a df03204 Opel C20NE wiring diagram?
  • Answer: Ah, the mystical map of wires! Think of it as the vehicle's electrical GPS, guiding you through the maze of circuits and connections.

  • 2. How do I decipher a df03204 Opel C20NE wiring diagram?
  • Answer: It's like solving a puzzle, but instead of matching pieces, you're tracing wires and understanding symbols. Think Sherlock Holmes meets an electrician.

  • 3. Why is the df03204 Opel C20NE wiring diagram important?
  • Answer: Well, imagine trying to assemble a LEGO set without the instructions. Chaos, right? The wiring diagram prevents that chaos by showing you how everything fits together electrically.

  • 4. Can I fix electrical issues in my Opel C20NE using the wiring diagram?
  • Answer: Absolutely! Armed with the wiring diagram and a trusty set of tools, you'll feel like an electric superhero ready to tackle any malfunctioning wire or fuse.

  • 5. Are there any shortcuts to understanding the df03204 Opel C20NE wiring diagram?
  • Answer: Well, you could try rubbing a magic lamp and asking for a genie who's an expert in automotive electrics. But if that doesn't work, patience, practice, and a good sense of humor will do the trick!

Label :df03204 Opel, Wiring Diagram, Electrical System, Troubleshooting, Components, Maintenance

Keyword : DF03204 Opel C20NE wiring diagram

Comments

Popular posts from this blog

Unlock the Secrets: Food for Today Student Activity Manual Answer Key Revealed!

Unlock Efficiency: 5 Steps to Master Your Corvette Fuel Pump Wiring Diagram

Unlock the Ultimate Guide: Ford Excursion Trailer Brake Wiring Diagram