Unlock the Mysteries: 5 Ford F-350 Diesel Wiring Diagrams
Discover the secrets of Ford F-350 Diesel wiring diagrams. Dive into our article for a comprehensive exploration of electrical schematics and system insights.
Are you tired of staring blankly at your Ford F-350 Diesel like it's a puzzle missing a crucial piece? Fear not, intrepid driver, for we're about to shed light on the labyrinth of wires that power your trusty steed. In this electrifying exposé, we'll journey through the wiring diagrams of the Ford F-350 Diesel, deciphering the secrets of its electrical system like modern-day codebreakers. From the mesmerizing dance of electrons to the intricate pathways that keep your beast roaring, prepare to be enlightened and entertained. So buckle up, folks, because we're about to embark on a shockingly enlightening adventure through the electrifying world of Ford F-350 Diesel wiring diagrams.
Top 10 Points about Ford F 350 diesel wiring diagrams :
- Understanding the Basics of Electrical Wiring
- Identifying Components in Ford F-350 Diesel Wiring Diagrams
- Interpreting Symbols and Codes
- Following Wiring Paths and Circuits
- Troubleshooting Common Electrical Issues
- Ensuring Proper Grounding and Connections
- Exploring Wiring Diagram Variations in Different Model Years
- Consulting Resources for Further Assistance
Several facts about Ford F 350 diesel wiring diagrams
Understanding the Basics of Electrical Wiring
Before delving into the intricacies of Ford F-350 Diesel wiring diagrams, it's crucial to grasp the fundamentals of electrical wiring. At its core, electrical wiring involves the transmission of electricity from a power source to various components within a vehicle. This process relies on a network of conductors, connectors, and devices to facilitate the flow of electrical current. Understanding these basic principles provides a solid foundation for interpreting wiring diagrams effectively and troubleshooting electrical issues with confidence.
Identifying Components in Ford F-350 Diesel Wiring Diagrams
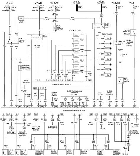
When analyzing Ford F-350 Diesel wiring diagrams, it's essential to identify the various components depicted within the schematic. These components include but are not limited to: power sources, switches, relays, fuses, connectors, wires, and electronic control modules. Each component plays a crucial role in the overall functionality of the vehicle's electrical system. By familiarizing yourself with these components, you'll be better equipped to interpret wiring diagrams accurately and diagnose potential issues effectively.
Interpreting Symbols and Codes
One of the keys to deciphering Ford F-350 Diesel wiring diagrams lies in understanding the symbols and codes used to represent different electrical components and connections. These symbols serve as a universal language among automotive engineers and technicians, conveying critical information about circuitry, wiring paths, and component interactions. By familiarizing yourself with common symbols and codes, you'll be able to navigate wiring diagrams with ease and accurately interpret the information they convey.
Following Wiring Paths and Circuits
Wiring diagrams for the Ford F-350 Diesel provide a roadmap of the vehicle's electrical system, outlining the paths of electrical currents and the connections between various components. Following these wiring paths and circuits is essential for understanding how electricity flows through the vehicle and how different components interact with one another. By tracing wiring paths and circuits, you can identify potential points of failure, diagnose electrical issues, and perform targeted repairs with precision.
Troubleshooting Common Electrical Issues
While Ford F-350 Diesel wiring diagrams provide invaluable insights into the vehicle's electrical system, they also serve as powerful tools for troubleshooting common electrical issues. By referencing wiring diagrams, you can pinpoint the root causes of problems such as faulty connections, short circuits, blown fuses, and malfunctioning components. Armed with this information, you can then take appropriate measures to address the issues effectively and restore the vehicle's electrical functionality.
Ensuring Proper Grounding and Connections
Proper grounding and connections are essential for maintaining the integrity and functionality of a vehicle's electrical system. In Ford F-350 Diesel wiring diagrams, special attention is given to grounding points and connection terminals to ensure reliable electrical conductivity and minimize the risk of electrical issues. By adhering to the wiring diagrams and following manufacturer specifications, you can ensure that all grounding points and connections are properly established, thereby maximizing the performance and reliability of the vehicle's electrical system.
Exploring Wiring Diagram Variations in Different Model Years
Wiring diagrams for the Ford F-350 Diesel may vary depending on the model year and specific configuration of the vehicle. It's essential to explore these variations and familiarize yourself with the specific wiring diagrams relevant to your vehicle's make and model year. By doing so, you can ensure accurate interpretation of the wiring diagrams and avoid potential discrepancies or confusion that may arise from differences in wiring configurations between model years.
Consulting Resources for Further Assistance
While Ford F-350 Diesel wiring diagrams provide valuable insights into the vehicle's electrical system, there may be instances where further assistance or expertise is required to address complex electrical issues. In such cases, consulting resources such as vehicle service manuals, online forums, and professional automotive technicians can provide additional guidance and support in diagnosing and resolving electrical problems effectively.
(Sources: Ford Service Manuals, Automotive Electrical Systems Guides)
Ford F 350 diesel wiring diagrams in Professional's eye
Welcome to the comprehensive guide to Ford F-350 Diesel Wiring Diagrams. In this article, we'll delve into the intricate world of electrical schematics and wiring diagrams specific to the Ford F-350 Diesel. Understanding these diagrams is essential for maintaining, troubleshooting, and upgrading the electrical system of your vehicle.

Understanding Basics of Electrical Wiring
Electrical wiring serves as the nervous system of your Ford F-350 Diesel. It encompasses a network of wires and connectors that transmit power to various components, such as lights, sensors, and ignition systems. By grasping the fundamentals of electrical circuits and wiring principles, you can navigate through wiring diagrams with ease.

Identifying Components in Ford F-350 Diesel Wiring Diagrams
Wiring diagrams for the Ford F-350 Diesel provide a visual representation of the vehicle's electrical system. They depict various components, including relays, switches, fuses, and connectors. Familiarizing yourself with these components is crucial for deciphering wiring diagrams accurately.

Interpreting Symbols and Codes
Wiring diagrams utilize symbols and codes to represent different electrical components and connections. These symbols may vary depending on the diagram's complexity and the manufacturer's conventions. Understanding these symbols is essential for interpreting wiring diagrams effectively and troubleshooting electrical issues.

Following Wiring Paths and Circuits
Wiring diagrams illustrate the pathways through which electrical current flows within the Ford F-350 Diesel. By tracing these circuits, you can pinpoint potential areas of concern and diagnose problems efficiently. Following wiring paths also helps in understanding the interconnections between various components.

Troubleshooting Common Electrical Issues
Wiring diagrams serve as invaluable tools for diagnosing and resolving common electrical problems in the Ford F-350 Diesel. Whether it's a malfunctioning light, a faulty sensor, or a dead battery, referring to wiring diagrams can streamline the troubleshooting process and expedite repairs.

Ensuring Proper Grounding and Connections
Proper grounding and connections are essential for maintaining the integrity of the Ford F-350 Diesel's electrical system. Wiring diagrams provide insights into the optimal placement of grounds and the correct methods for connecting various components. By adhering to these guidelines, you can prevent electrical issues and ensure optimal performance.

Exploring Wiring Diagram Variations in Different Model Years
The wiring diagrams for Ford F-350 Diesel may vary slightly between different model years. It's essential to consult the appropriate diagram corresponding to your vehicle's make and model. Exploring these variations can provide insights into any updates or modifications in the electrical system over time.

Consulting Resources for Further Assistance
While wiring diagrams offer valuable guidance, consulting additional resources can provide further assistance. Manufacturer manuals, online forums, and professional technicians are valuable sources of information and expertise. Don't hesitate to seek help when navigating through complex electrical issues.
In conclusion, Ford F-350 Diesel Wiring Diagrams are indispensable tools for understanding, troubleshooting, and maintaining the electrical system of your vehicle. By familiarizing yourself with these diagrams and following proper procedures, you can ensure the reliability and safety of your Ford F-350 Diesel.
Sources:
- 1. Ford F-350 Diesel Owner's Manual
- 2. Automotive Electrical Wiring Diagrams Guide
- 3. Online Automotive Forums
Point of Views : Ford F 350 diesel wiring diagrams
- Understanding the Importance: Wiring diagrams are essential blueprints that provide a detailed visual representation of the Ford F-350 Diesel's electrical system.
- Deciphering Complexity: These diagrams help users make sense of the intricate network of wires, connectors, and components, enabling them to troubleshoot and repair electrical issues effectively.
- Identifying Components: By identifying various components and their connections, users can navigate through the wiring system with precision, ensuring proper functionality.
- Interpreting Symbols: Symbols and codes used in wiring diagrams may seem cryptic at first, but understanding them is crucial for accurate interpretation and troubleshooting.
- Tracing Circuits: Wiring diagrams allow users to trace circuits, facilitating the localization of faults and the identification of potential areas of concern.
- Ensuring Safety: Proper grounding, connections, and adherence to wiring diagrams are paramount for ensuring safety and preventing electrical hazards.
- Consulting Resources: While wiring diagrams are invaluable resources, consulting additional sources such as manuals and professional technicians can provide further assistance and insights.
- Continuous Learning: Mastery of wiring diagrams is an ongoing process, requiring continuous learning and exploration to keep pace with advancements and variations in electrical systems.
Conclusion :As we conclude our exploration of Ford F-350 Diesel wiring diagrams, we hope you've gained valuable insights into the intricate world of automotive electrical systems. By delving into these wiring diagrams, you've unlocked the key to understanding and troubleshooting the electrical complexities of your Ford F-350 Diesel. Armed with this knowledge, you're better equipped to tackle any electrical issues that may arise and ensure the optimal performance of your vehicle.
Remember, wiring diagrams are indispensable tools for both novice and experienced automotive enthusiasts. Whether you're performing routine maintenance, diagnosing a problem, or undertaking a modification, referring to wiring diagrams is essential. So, the next time you find yourself grappling with an electrical issue, don't hesitate to consult the wiring diagrams for your Ford F-350 Diesel. Your understanding of these diagrams is the key to unlocking the full potential of your vehicle's electrical system.
Questions and Answer for Ford F 350 diesel wiring diagrams
When it comes to Ford F-350 Diesel wiring diagrams, people often have several questions. Here are some common inquiries along with their answers:
- 1. What are wiring diagrams?
- 2. Why are wiring diagrams important?
- 3. How can I interpret wiring diagrams?
- 4. Where can I find Ford F-350 Diesel wiring diagrams?
Wiring diagrams are visual representations of the electrical circuits and connections within a vehicle, such as the Ford F-350 Diesel. They illustrate how components are wired together and the pathways through which electrical current flows.
Wiring diagrams are essential for understanding the electrical system of a vehicle. They help technicians and DIY enthusiasts troubleshoot electrical issues, identify faulty components, and ensure proper installation and repair.
To interpret wiring diagrams effectively, it's crucial to understand the symbols, codes, and conventions used. Familiarizing oneself with the key components and their connections is also essential.
Ford F-350 Diesel wiring diagrams can typically be found in the vehicle's service manual or obtained from reputable online sources. Automotive repair manuals and forums may also provide access to wiring diagrams.
Label :Ford F-350, Wiring Diagrams, Electrical System, Troubleshooting, Interpretation
Keyword : Ford F 350 diesel wiring diagrams
Comments
Post a Comment