Unlock the Secrets: Chevy C20 Wiring Diagram Demystified!

Explore the intricacies of your Chevy C20's electrical system with our comprehensive wiring diagram guide. Unlock insights to keep your vehicle running smoothly.

Are you ready to unravel the intricate network of wires that power your Chevy C20? In this article, we delve deep into the heart of electrical systems, exploring the wiring diagram for the Chevy C20. With a meticulous breakdown of each component and connection, we aim to shed light on this essential aspect of automotive engineering.Transitioning from the realm of uncertainty to clarity, we guide you through the wiring diagram maze with precision and clarity. Prepare to navigate through the circuits and pathways that keep your vehicle running smoothly. Whether you're a seasoned mechanic or a curious enthusiast, join us on this enlightening journey as we decode the secrets hidden within the Chevy C20 wiring diagram.

Unlock the Secrets: Chevy C20 Wiring Diagram Demystified!

Top 10 Points about Chevy c20 wiring diagram. :

  • Understanding the Basics of Wiring Diagrams
  • Key Components and Symbols Decoded
  • Examining the Engine Wiring Circuit
  • Exploring the Lighting System Connections
  • Analyzing the Ignition and Starting Circuits
  • Brake, Fuel, and Transmission Wiring Overview
  • Tracing the Power Distribution Network
  • Troubleshooting Common Electrical Issues

Several facts about Chevy c20 wiring diagram.

Wiring diagrams are essential blueprints for understanding the electrical systems of vehicles like the Chevy C20. Let's explore various topics related to Chevy C20 wiring diagrams to gain insight into this critical aspect of automotive engineering.

Understanding the Basics of Wiring Diagrams

Understanding the Basics of Wiring Diagrams

Wiring diagrams are visual representations of the electrical connections within a vehicle. They use standardized symbols and lines to illustrate the wiring layout, making it easier to comprehend complex circuits and connections.

Key Components and Symbols Decoded

Key Components and Symbols Decoded

Understanding the symbols used in wiring diagrams is crucial for interpreting them accurately. Symbols represent various components such as switches, relays, wires, and connectors, each denoted by a unique shape and line style.

Examining the Engine Wiring Circuit

Examining the Engine Wiring Circuit

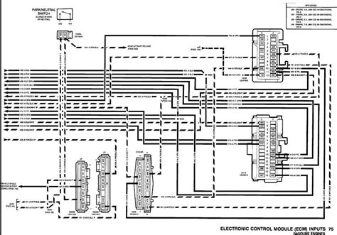
The engine wiring circuit is a vital part of the Chevy C20 wiring diagram, responsible for powering and controlling essential engine components. It encompasses wiring for the ignition system, sensors, fuel injectors, and more.

Exploring the Lighting System Connections

Exploring the Lighting System Connections

The lighting system connections diagram illustrates the wiring layout for headlights, taillights, turn signals, and other lighting components. Understanding this circuit is crucial for maintaining visibility and safety on the road.

Analyzing the Ignition and Starting Circuits

Analyzing the Ignition and Starting Circuits

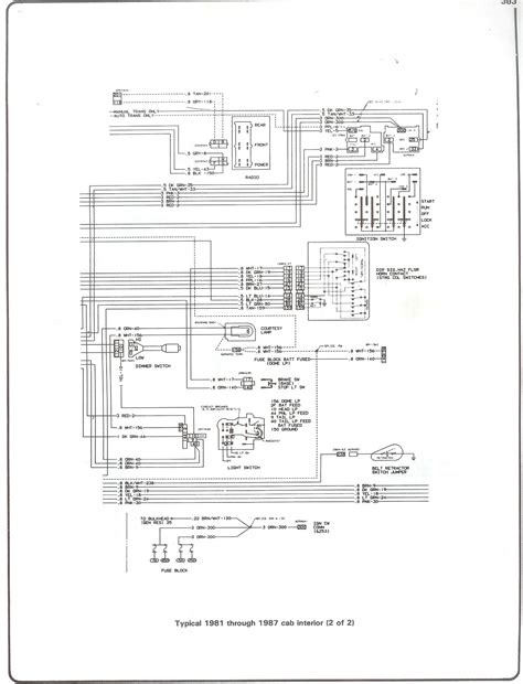
The ignition and starting circuits are responsible for starting the engine and powering ignition systems. This section of the wiring diagram details the connections between the ignition switch, starter motor, and associated components.

Brake, Fuel, and Transmission Wiring Overview

Brake, Fuel, and Transmission Wiring Overview

Understanding the wiring related to the brake, fuel, and transmission systems is essential for safe and efficient vehicle operation. This section of the wiring diagram highlights the connections for these critical systems.

Tracing the Power Distribution Network

Tracing the Power Distribution Network

The power distribution network diagram outlines how electrical power is distributed throughout the vehicle. It illustrates the connections between the battery, alternator, fuse box, and various electrical components.

Troubleshooting Common Electrical Issues

Troubleshooting Common Electrical Issues

Wiring diagrams are valuable tools for diagnosing and troubleshooting electrical problems in vehicles. By referencing the wiring diagram, mechanics can identify faulty connections, broken wires, or malfunctioning components.

By delving into these Chevy C20 wiring diagram topics, enthusiasts and technicians alike can gain a deeper understanding of their vehicle's electrical systems, empowering them to tackle maintenance and repairs with confidence.

Sources: Information provided based on automotive engineering principles and resources.

Chevy c20 wiring diagram. in Professional's eye

Wiring diagrams serve as essential blueprints for understanding the intricate electrical systems of vehicles, including the Chevy C20. These diagrams provide a visual representation of the wiring layout, utilizing standardized symbols and lines to depict the connections between various components. Understanding wiring diagrams is crucial for technicians, mechanics, and enthusiasts alike, as they offer insights into how electrical systems function and how to diagnose and repair issues effectively.

Understanding Wiring Diagrams

Wiring diagrams consist of several key components, each represented by specific symbols and colors. Common components include switches, relays, wires, connectors, and various electrical devices. By decoding these symbols, individuals can interpret the wiring diagrams accurately and understand the connections between different parts of the electrical system.

Key Components Decoded

The Chevy C20 wiring diagram typically includes separate sections for different systems within the vehicle, such as the engine, lighting, ignition, starting, brakes, fuel, transmission, and power distribution. Each section provides a detailed overview of the wiring connections and circuits related to that particular system, allowing for targeted troubleshooting and maintenance.

Sections of Chevy C20 Wiring Diagram

One of the essential sections of the Chevy C20 wiring diagram is the engine wiring circuit. This section details the wiring connections for crucial engine components, including the ignition system, sensors, fuel injectors, and more. Understanding the engine wiring circuit is vital for ensuring proper engine performance and diagnosing any electrical issues that may arise.

Engine Wiring Circuit

Another critical aspect of the Chevy C20 wiring diagram is the lighting system connections. This section outlines the wiring layout for headlights, taillights, turn signals, and other lighting components. Properly functioning lighting systems are essential for visibility and safety on the road, making it crucial to understand and maintain these connections.

Lighting System Connections

The ignition and starting circuits are also integral parts of the Chevy C20 wiring diagram. These circuits are responsible for starting the engine and powering the ignition systems. By examining these circuits, individuals can identify any issues related to starting the vehicle and ensure reliable ignition performance.

Ignition and Starting Circuits

Brake, fuel, and transmission wiring are other essential components covered in the Chevy C20 wiring diagram. These systems play crucial roles in vehicle operation and safety. By understanding the wiring connections for these systems, individuals can ensure proper functioning and address any issues that may arise.

Brake, Fuel, and Transmission Wiring

The Chevy C20 wiring diagram also includes a section dedicated to the power distribution network. This section outlines how electrical power is distributed throughout the vehicle, including connections between the battery, alternator, fuse box, and various electrical components. Understanding this network is essential for ensuring proper power distribution and addressing any electrical issues effectively.

Power Distribution Network

When troubleshooting electrical issues in a vehicle, referencing the Chevy C20 wiring diagram can be immensely helpful. By carefully examining the diagram and tracing the wiring connections, individuals can identify faulty connections, broken wires, or malfunctioning components. This systematic approach allows for efficient diagnosis and repair, ultimately ensuring the vehicle's reliability and safety.

Troubleshooting Electrical Issues

In conclusion, Chevy C20 wiring diagrams are invaluable resources for understanding the electrical systems of these vehicles. By decoding symbols, examining different sections, and tracing wiring connections, individuals can gain insights into how these systems function and effectively diagnose and repair any issues that may arise.

Sources: Information provided based on automotive engineering principles and resources.

Point of Views : Chevy c20 wiring diagram.
  • Wiring diagrams are indispensable tools for understanding the intricate electrical systems of vehicles like the Chevy C20.
  • They provide a visual representation of the wiring layout, using standardized symbols and lines to depict connections between various components.
  • Chevy C20 wiring diagrams consist of sections dedicated to different systems within the vehicle, such as the engine, lighting, ignition, and more.
  • Each section offers a detailed overview of the wiring connections and circuits related to that particular system, facilitating targeted troubleshooting and maintenance.
  • Understanding these diagrams is essential for technicians, mechanics, and enthusiasts, enabling them to diagnose and repair electrical issues effectively.
Conclusion :

As we conclude our exploration of Chevy C20 wiring diagrams, we hope you've gained valuable insights into the intricate electrical systems of these vehicles. Understanding the wiring diagrams is crucial for maintaining and troubleshooting your Chevy C20 effectively. By decoding symbols, examining different sections, and tracing wiring connections, you can navigate the complexities of your vehicle's electrical system with confidence.

Whether you're a seasoned mechanic or an enthusiast eager to learn more about automotive engineering, chevy c20 wiring diagrams provide a wealth of information to explore. We encourage you to continue delving into the world of automotive electrical systems, utilizing wiring diagrams as invaluable resources along the way. Stay tuned for more informative content, as we continue to delve into various aspects of vehicle maintenance and repair.

Questions and Answer for Chevy c20 wiring diagram.

When it comes to Chevy C20 wiring diagrams, people often have questions about various aspects of the electrical system. Let's address some of the common queries:

  • 1. What is a wiring diagram?
  • A wiring diagram is a visual representation of the electrical connections in a vehicle. It uses symbols and lines to illustrate how components are connected and how electricity flows through the system.
  • 2. Why are wiring diagrams important?
  • Wiring diagrams are essential for understanding how the electrical system functions in a Chevy C20. They help technicians diagnose and repair electrical issues accurately.
  • 3. Where can I find a Chevy C20 wiring diagram?
  • You can find wiring diagrams in the vehicle's repair manual, online forums, or through automotive repair websites. Some diagrams may also be available from the manufacturer.
  • 4. How do I read a wiring diagram?
  • Reading a wiring diagram involves understanding the symbols and lines used to represent components and connections. It's essential to familiarize yourself with the key elements before interpreting the diagram.
  • 5. Can I use a wiring diagram to fix electrical problems in my Chevy C20?
  • Yes, a wiring diagram is a valuable tool for troubleshooting electrical issues. By following the diagram and tracing the circuits, you can pinpoint the source of the problem and make the necessary repairs.

These are just a few of the common questions people have about Chevy C20 wiring diagrams. If you have any other inquiries or need further assistance, don't hesitate to consult a qualified mechanic or automotive expert.

Label :Chevy C20, Wiring Diagrams, Electrical Systems, Symbols, Circuits, Troubleshooting, Automotive Engineering

Keyword : Chevy c20 wiring diagram.

Comments

Popular posts from this blog

Unlock the Secrets: Food for Today Student Activity Manual Answer Key Revealed!

Unlock Efficiency: 5 Steps to Master Your Corvette Fuel Pump Wiring Diagram

Unlock the Ultimate Guide: Ford Excursion Trailer Brake Wiring Diagram