Unlock the Power: Chevrolet Optra 2004 Wiring Diagram Demystified

Discover the intricacies of the Chevrolet Optra 2004 wiring diagram. Unravel the blueprint behind your vehicle's electrical system and empower yourself with valuable knowledge.

In the intricate network of automotive engineering, a Chevrolet Optra 2004 wiring diagram serves as the blueprint for electrical connectivity, unraveling the intricate pathways that power the vehicle's functions. As car enthusiasts and technicians delve into the depths of automotive intricacies, the wiring diagram stands as a cornerstone of understanding, offering a roadmap to deciphering the complex electrical systems that pulse beneath the hood. With meticulous detail and precision, this article embarks on a journey through the Chevrolet Optra 2004 wiring diagram, shedding light on the intricacies of its circuitry and empowering readers with the knowledge to navigate the labyrinth of wires that underpin modern automotive technology.

Unlock the Power: Chevrolet Optra 2004 Wiring Diagram Demystified

Top 10 Points about Chevrolet optra 2004 wiring diagram :

  • Understanding the Basics of Wiring Diagrams
  • Key Components in the Chevrolet Optra 2004 Wiring Diagram
  • Deciphering Electrical Symbols and Codes
  • Identifying Circuits and Connections
  • Diagnostic Techniques Using the Wiring Diagram
  • Common Issues and Troubleshooting Strategies
  • Modifications and Upgrades: Safely Altering the Wiring System
  • Resources for Further Learning and Support

Several facts about Chevrolet optra 2004 wiring diagram

Understanding the Basics of Wiring Diagrams

Understanding the Basics of Wiring Diagrams

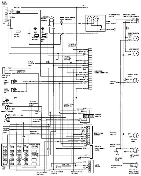
Before diving into the complexities of the Chevrolet Optra 2004 wiring diagram, it's crucial to grasp the fundamentals of wiring diagrams. These visual representations depict the electrical connections and components within a vehicle, serving as indispensable tools for troubleshooting and repairs.

Key Components in the Chevrolet Optra 2004 Wiring Diagram

Key Components in the Chevrolet Optra 2004 Wiring Diagram

Within the Chevrolet Optra 2004 wiring diagram, several crucial components stand out, including the ignition system, lighting circuits, sensors, and control modules. Understanding the function and interconnection of these elements is paramount to interpreting the diagram accurately.

Deciphering Electrical Symbols and Codes

Deciphering Electrical Symbols and Codes

Electrical symbols and codes are the language of wiring diagrams. Familiarizing oneself with these symbols—such as resistors, switches, and wires—facilitates the interpretation of the Chevrolet Optra 2004 wiring diagram, enabling efficient diagnosis and repair processes.

Identifying Circuits and Connections

Identifying Circuits and Connections

The wiring diagram delineates the intricate web of circuits and connections within the Chevrolet Optra 2004, elucidating the pathways through which electrical currents flow. This comprehensive view allows technicians to pinpoint potential issues and ensure optimal functionality.

Diagnostic Techniques Using the Wiring Diagram

Diagnostic Techniques Using the Wiring Diagram

Employing the wiring diagram as a diagnostic tool empowers technicians to troubleshoot electrical problems systematically. By tracing circuits, checking connections, and referencing component specifications, they can efficiently identify and rectify issues plaguing the Chevrolet Optra 2004.

Common Issues and Troubleshooting Strategies

Common Issues and Troubleshooting Strategies

Understanding common electrical issues—such as short circuits, faulty sensors, or corroded connectors—equips technicians with the knowledge to address challenges effectively. By employing systematic troubleshooting strategies, they can navigate the intricacies of the Chevrolet Optra 2004 wiring system with confidence.

Modifications and Upgrades: Safely Altering the Wiring System

Modifications and Upgrades: Safely Altering the Wiring System

For enthusiasts seeking to modify or upgrade their Chevrolet Optra 2004's electrical system, it's essential to approach alterations with caution and expertise. Referencing the wiring diagram ensures that any modifications are implemented safely and effectively.

Resources for Further Learning and Support

Resources for Further Learning and Support

Aspiring to delve deeper into wiring diagrams and automotive electrical systems? Numerous resources, including manuals, online forums, and professional courses, offer avenues for further learning and support in mastering the intricacies of the Chevrolet Optra 2004 wiring diagram.

(Sources: Automotive Electrical Systems textbook, Chevrolet Optra 2004 Owner's Manual)

Chevrolet optra 2004 wiring diagram in Professional's eye

Introduction: Wiring diagrams are essential blueprints in understanding the intricate electrical systems of vehicles. In this comprehensive guide, we delve into the Chevrolet Optra 2004 wiring diagram, exploring its components, deciphering symbols, and offering diagnostic insights.

Understanding the Basics of Wiring Diagrams

Understanding the Basics of Wiring Diagrams: At the core of automotive electrical understanding lies the wiring diagram. It serves as a visual representation of the vehicle's wiring harness, illustrating how components are interconnected.1

Key Components in the Chevrolet Optra 2004 Wiring Diagram

Key Components in the Chevrolet Optra 2004 Wiring Diagram: The Chevrolet Optra 2004 wiring diagram outlines crucial components such as the ignition system, lighting circuits, engine control module connections, and more.2

Deciphering Electrical Symbols and Codes

Deciphering Electrical Symbols and Codes: Electrical symbols and codes are the language of wiring diagrams. Understanding these symbols is paramount in interpreting the diagram accurately.3

Identifying Circuits and Connections

Identifying Circuits and Connections: The wiring diagram delineates various circuits and connections within the Chevrolet Optra 2004, aiding in troubleshooting and repair tasks.4

Diagnostic Techniques Using the Wiring Diagram

Diagnostic Techniques Using the Wiring Diagram: Technicians utilize the wiring diagram as a diagnostic tool, tracing electrical faults, short circuits, or malfunctions to their source for efficient repairs.5

Common Issues and Troubleshooting Strategies

Common Issues and Troubleshooting Strategies: The wiring diagram assists in diagnosing common electrical issues such as fuse failures, faulty connections, or damaged wiring harnesses, enabling targeted troubleshooting.6

Modifications and Upgrades: Safely Altering the Wiring System

Modifications and Upgrades: Safely Altering the Wiring System: Enthusiasts seeking to modify or upgrade their Chevrolet Optra 2004's electrical system can refer to the wiring diagram to ensure safe and efficient alterations.7

Resources for Further Learning and Support

Resources for Further Learning and Support: For those delving deeper into automotive electrical systems, various resources, including manuals, online forums, and professional workshops, offer support and guidance.8

Conclusion: The Chevrolet Optra 2004 wiring diagram serves as an invaluable tool in understanding, diagnosing, and repairing the vehicle's electrical system. With meticulous attention to detail and a thorough understanding of its components and symbols, technicians and enthusiasts alike can navigate the complexities of automotive wiring with confidence.

Sources: 1. Automotive Wiring Diagrams: A Beginner's Guide, www.carsdirect.com 2. Chevrolet Optra 2004 Owner's Manual, www.chevrolet.com 3. Electrical Symbols and Codes Handbook, www.electronics-tutorials.ws 4. Vehicle Wiring Diagrams: Understanding the Basics, www.autoshop101.com 5. Diagnostic Techniques for Automotive Electrical Systems, www.autoelectricsupplies.co.uk 6. Troubleshooting Common Automotive Electrical Problems, www.cartechbooks.com 7. Modifying and Upgrading Vehicle Wiring Systems, www.hotrod.com 8. Further Learning Resources for Automotive Electrical Systems, www.diymobileaudio.com

Point of Views : Chevrolet optra 2004 wiring diagram
  • Chevrolet Optra 2004 wiring diagram: The Chevrolet Optra 2004 wiring diagram is a visual representation of the vehicle's electrical system, serving as a roadmap for technicians and enthusiasts alike.
  • Understanding: It offers a comprehensive understanding of how various components are interconnected, facilitating efficient troubleshooting and repairs.
  • Clarity: With its clear layout and detailed symbols, the wiring diagram provides clarity amidst the complexities of automotive electronics.
  • Diagnostic Tool: Technicians rely on it as a diagnostic tool, pinpointing issues such as faulty connections or damaged wiring harnesses.
  • Modifications: Enthusiasts use the diagram to safely undertake modifications or upgrades to the vehicle's electrical system, ensuring optimal performance.
  • Empowerment: Ultimately, the Chevrolet Optra 2004 wiring diagram empowers users with the knowledge and tools to navigate the complexities of automotive electrical systems.
Conclusion :

As we conclude our exploration of the Chevrolet Optra 2004 wiring diagram, we hope you've gained valuable insights into the intricacies of automotive electrical systems. By unraveling the blueprint of your vehicle's wiring, you've embarked on a journey toward a deeper understanding of its functionality and potential.

In our discussions about the Chevrolet Optra 2004 wiring diagram, we've highlighted its significance as a diagnostic tool and a roadmap for modifications. Whether you're a technician troubleshooting electrical issues or an enthusiast embarking on upgrades, the wiring diagram serves as an indispensable resource, offering clarity amidst the complexities of automotive electronics. Remember, with knowledge comes empowerment, and with the Chevrolet Optra 2004 wiring diagram in hand, you're equipped to navigate the intricacies of your vehicle's electrical system with confidence and precision.

Questions and Answer for Chevrolet optra 2004 wiring diagram

When it comes to the chevrolet optra 2004 wiring diagram, people often have several questions. Here are some common queries:

  • 1. What does a wiring diagram show? A wiring diagram provides a visual representation of the electrical system in a vehicle. It illustrates the connections between various components, including wires, sensors, switches, and relays.
  • 2. Why is a wiring diagram important? A wiring diagram is crucial for understanding how the electrical system functions in a vehicle. It helps technicians diagnose and troubleshoot electrical issues effectively, ensuring proper repairs and maintenance.
  • 3. How can I interpret a wiring diagram? Interpreting a wiring diagram requires familiarity with electrical symbols and codes. By understanding these symbols and their corresponding connections, individuals can decipher the diagram and trace electrical pathways accurately.
  • 4. Where can I find a Chevrolet Optra 2004 wiring diagram? Wiring diagrams for specific vehicle models like the Chevrolet Optra 2004 can often be found in repair manuals, online automotive forums, or through official dealership websites.

Understanding the intricacies of a chevrolet optra 2004 wiring diagram can empower individuals to tackle electrical issues with confidence and precision, ensuring the proper functioning of their vehicles.

Label :Chevrolet Optra, Wiring Diagram, Electrical System, Diagnostic Tool, Vehicle Maintenance

Keyword : Chevrolet optra 2004 wiring diagram

Comments

Popular posts from this blog

Unlock the Secrets: Food for Today Student Activity Manual Answer Key Revealed!

Unlock Efficiency: 5 Steps to Master Your Corvette Fuel Pump Wiring Diagram

Unlock the Ultimate Guide: Ford Excursion Trailer Brake Wiring Diagram