Unlock Corvette Windshield Wiper Wiring: Master Diagram in 5 Steps

Discover the definitive guide to Corvette windshield wiper wiring diagrams. Explore step-by-step instructions to master your Corvette's wiper system efficiently.

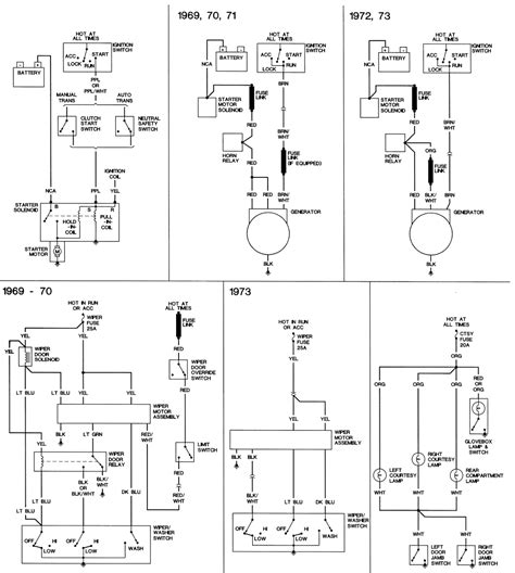
Corvette windshield wiper wiring diagram serves as the foundational blueprint for understanding the intricate electrical system governing the functionality of windshield wipers in Chevrolet Corvettes. In this comprehensive exploration of wiring diagram topics, we delve into the intricacies of the Corvette's wiper system, unraveling the complexity behind its operation and configuration.Transitioning from the superficial to the profound, we dissect each component and connection with meticulous attention to detail. By dissecting the wiring diagram, enthusiasts and technicians alike gain invaluable insights into troubleshooting, maintenance, and customization. This article elucidates the nuances of the Corvette's wiper wiring, empowering readers with the knowledge necessary to navigate the electrical intricacies of this iconic vehicle.

Unlock Corvette Windshield Wiper Wiring: Master Diagram in 5 Steps

Top 10 Points about Corvette windshield wiper wiring diagram. :

  • Understanding the Purpose of the Wiring Diagram
  • Identifying Key Components in the Wiper System
  • Tracing the Electrical Pathways
  • Interpreting Symbols and Codes
  • Ensuring Proper Grounding and Connections
  • Troubleshooting Common Wiper Issues
  • Implementing Modifications and Upgrades
  • Referencing Resources for Further Assistance

Several facts about Corvette windshield wiper wiring diagram.

In the realm of automotive engineering, corvette windshield wiper wiring diagram stands as a vital document, elucidating the intricacies of the electrical system governing the wiper functionality in Chevrolet Corvettes. Let's embark on a journey through the wiring diagram topics, unraveling the complexities of this essential component.

Understanding the Purpose of the Wiring Diagram

Understanding the Purpose of the Wiring Diagram

The wiring diagram serves as a roadmap, offering a visual representation of the electrical connections within the Corvette's wiper system. It provides a comprehensive overview, essential for troubleshooting, maintenance, and customization.

Identifying Key Components in the Wiper System

Identifying Key Components in the Wiper System

Examining the wiring diagram allows enthusiasts to identify crucial components such as the motor, switch, relay, and fuse. Understanding their roles is fundamental to grasping the wiper system's functionality.

Tracing the Electrical Pathways

Tracing the Electrical Pathways

By following the wiring diagram, one can trace the intricate pathways through which electricity flows, powering the wiper mechanism. This step is essential for diagnosing issues related to connectivity or power supply.

Interpreting Symbols and Codes

Interpreting Symbols and Codes

Deciphering the symbols and codes depicted in the wiring diagram is crucial for understanding the connections between various components. Each symbol represents a specific electrical element, guiding technicians through the system.

Ensuring Proper Grounding and Connections

Ensuring Proper Grounding and Connections

Referencing the wiring diagram is imperative to ensure proper grounding and secure connections. Faulty or loose connections can disrupt the wiper's operation, leading to inefficiencies or malfunctions.

Troubleshooting Common Wiper Issues

Troubleshooting Common Wiper Issues

Armed with the insights gleaned from the wiring diagram, technicians can effectively troubleshoot common wiper issues such as intermittent operation, failure to move, or erratic behavior. The diagram serves as a valuable tool in diagnosing and resolving these challenges.

Implementing Modifications and Upgrades

Implementing Modifications and Upgrades

Enthusiasts keen on enhancing their Corvette's wiper system can leverage the wiring diagram to implement modifications or upgrades. Whether installing a new motor or upgrading to a more efficient relay, the diagram guides the process with precision.

Referencing Resources for Further Assistance

Referencing Resources for Further Assistance

For comprehensive support and guidance, individuals can refer to online resources, forums, or service manuals that offer detailed explanations and interpretations of the wiring diagram. These sources complement the diagram, providing additional insights and troubleshooting tips.

Sources:

  1. Service Manual for Chevrolet Corvette
  2. Automotive Electrical Systems Handbook

Corvette windshield wiper wiring diagram. in Professional's eye

Understanding the intricacies of a corvette windshield wiper wiring diagram is crucial for anyone tasked with maintaining or troubleshooting the wiper system in Chevrolet Corvettes. This wiring diagram serves as a visual representation of the electrical connections within the wiper system, guiding technicians through the complexities of its operation.

Understanding the intricacies of a corvette windshield wiper wiring diagram

The wiring diagram illustrates the pathways through which electricity flows, powering the various components of the wiper system. It provides a comprehensive overview of the connections between the wiper motor, switch, relay, fuse, and other essential elements.

Illustrates the pathways through which electricity flows

Deciphering the symbols and codes depicted in the wiring diagram is essential for understanding the relationship between different components. Each symbol represents a specific electrical element, guiding technicians through the system with precision.

Deciphering the symbols and codes depicted

Proper grounding and secure connections are paramount in ensuring the efficient operation of the wiper system. By referencing the wiring diagram, technicians can verify that all connections are intact and that proper grounding is established.

Proper grounding and secure connections are paramount

When troubleshooting wiper issues, the wiring diagram serves as a valuable tool for diagnosing electrical faults. By following the electrical pathways depicted in the diagram, technicians can identify the source of the problem and implement appropriate solutions.

The wiring diagram serves as a valuable tool for diagnosing electrical faults

Enthusiasts looking to customize or upgrade their Corvette's wiper system can rely on the wiring diagram to guide them through the installation process. Whether installing a new wiper motor or upgrading to a more efficient relay, the diagram provides essential insights into the system's configuration.

Enthusiasts looking to customize or upgrade their Corvette's wiper system

Online resources and forums can provide additional support and guidance for interpreting the wiring diagram. By engaging with the automotive community, individuals can access valuable insights and troubleshooting tips to resolve wiper-related issues effectively.

Online resources and forums can provide additional support and guidance

In conclusion, the corvette windshield wiper wiring diagram is an indispensable tool for understanding and maintaining the wiper system in Chevrolet Corvettes. With its detailed depiction of electrical connections and components, the diagram empowers technicians and enthusiasts alike to troubleshoot, customize, and upgrade their wiper systems with confidence.

In conclusion, the corvette windshield wiper wiring diagram is an indispensable tool
Point of Views : Corvette windshield wiper wiring diagram.
  • Corvette windshield wiper wiring diagram serves as a fundamental tool in comprehending the electrical infrastructure governing the operation of windshield wipers in Chevrolet Corvettes.
  • It provides a visual representation of the wiring connections, elucidating the intricate network of electrical pathways that facilitate the functioning of the wiper system.
  • By deciphering the symbols and codes depicted in the diagram, technicians can identify and understand the role of each component, including the motor, switch, relay, and fuse.
  • Proper interpretation of the diagram ensures the establishment of secure connections and effective grounding, crucial for the optimal performance of the wiper system.
  • Moreover, the diagram serves as a guiding tool for troubleshooting common issues encountered with wiper functionality, enabling technicians to diagnose and rectify electrical faults with precision.
  • Enthusiasts seeking to customize or upgrade their Corvette's wiper system can utilize the diagram to comprehend the existing configuration and facilitate the integration of new components or enhancements.
  • Overall, the wiring diagram provides invaluable insights into the electrical architecture of the Corvette's wiper system, empowering individuals to maintain, troubleshoot, and enhance its functionality with proficiency and accuracy.
Conclusion :

As we conclude our exploration of the corvette windshield wiper wiring diagram, we hope that you have gained valuable insights into the intricate electrical system governing the functionality of windshield wipers in Chevrolet Corvettes. Throughout our journey, we have delved into the wiring diagram topics, unraveling the complexities behind its operation and configuration.

By understanding the purpose of the wiring diagram, identifying key components, and tracing the electrical pathways, you are equipped with the knowledge necessary to navigate the intricacies of the Corvette's wiper system. Whether you are troubleshooting common wiper issues or implementing modifications and upgrades, the wiring diagram serves as an indispensable tool, guiding you through each step with precision and accuracy. We encourage you to continue exploring and learning, as you further enhance your understanding of the corvette windshield wiper wiring diagram and its role in maintaining the optimal performance of your Corvette's wiper system.

Questions and Answer for Corvette windshield wiper wiring diagram.

When it comes to the corvette windshield wiper wiring diagram, people also ask a variety of questions to better understand this essential component of Chevrolet Corvettes. Let's address some of these common inquiries:

  • 1. What is a windshield wiper wiring diagram?
  • A windshield wiper wiring diagram is a visual representation of the electrical connections within the wiper system of a vehicle. It outlines the pathways through which electricity flows, illustrating the connections between the wiper motor, switch, relay, fuse, and other crucial components.

  • 2. Why is the windshield wiper wiring diagram important?
  • The windshield wiper wiring diagram is important because it provides technicians and enthusiasts with a detailed understanding of the electrical infrastructure governing the wiper system. It serves as a guide for troubleshooting issues, identifying components, ensuring proper connections, and implementing modifications or upgrades.

  • 3. How can I interpret a Corvette windshield wiper wiring diagram?
  • Interpreting a Corvette windshield wiper wiring diagram involves deciphering the symbols and codes depicted in the diagram. Each symbol represents a specific electrical element, guiding individuals through the connections and pathways within the wiper system.

  • 4. Where can I find a Corvette windshield wiper wiring diagram?
  • Corvette windshield wiper wiring diagrams can typically be found in service manuals, repair guides, or online resources dedicated to automotive electrical systems. These diagrams provide detailed illustrations and explanations to assist individuals in understanding and troubleshooting their Corvette's wiper system.

Label :corvette, windshield wiper, wiring diagram, electrical system, troubleshooting, components, interpretation

Keyword : Corvette windshield wiper wiring diagram.

Comments

Popular posts from this blog

Unlock the Secrets: Food for Today Student Activity Manual Answer Key Revealed!

Unlock Efficiency: 5 Steps to Master Your Corvette Fuel Pump Wiring Diagram

Unlock the Ultimate Guide: Ford Excursion Trailer Brake Wiring Diagram