Unlock Your RV's Potential: 5 Coachman Camper Wiring Diagram Tips

Discover essential tips for understanding Coachman camper wiring diagrams for RVs. Navigate your electrical system with ease for safe and efficient travels.

Coachman camper wiring diagram RV is a crucial aspect for any RV owner, serving as a roadmap to understand the electrical setup within their vehicle. Delving into this intricate system can be both daunting and essential for ensuring safety and functionality on the road. In this article, we will explore various facets of Coachman camper wiring diagrams for RVs, shedding light on the intricacies of these diagrams and their significance in maintaining and troubleshooting electrical systems in recreational vehicles. From deciphering symbols to identifying circuits, understanding these diagrams is pivotal for any RV enthusiast seeking to grasp the inner workings of their mobile home. Join us as we navigate through the wires and connections that power the adventures of RV living.

Unlock Your RV

Top 10 Points about Coachman camper wiring diagram RV. :

  • Understanding Coachman Camper Wiring Diagram Symbols
  • Deciphering Electrical Circuits in Your RV
  • Identifying Key Components in the Wiring System
  • Troubleshooting Common Wiring Issues
  • Ensuring Proper Grounding and Wiring Connections
  • Upgrading and Modifying Your RV's Electrical Setup
  • Maintaining Safety Standards in Wiring Installations
  • Consulting Resources for Further Wiring Assistance

Several facts about Coachman camper wiring diagram RV.

Understanding Coachman Camper Wiring Diagram Symbols

Understanding Coachman Camper Wiring Diagram Symbols

When delving into Coachman camper wiring diagram RV, familiarity with symbols is paramount. Symbols represent various electrical components and connections within the diagram. Common symbols include lines for wires, circles for connections, and squares for switches or outlets. Understanding these symbols is akin to decoding a language specific to electrical schematics, allowing for accurate interpretation of the diagram's contents.

Deciphering Electrical Circuits in Your RV

Deciphering Electrical Circuits in Your RV

Each Coachman camper wiring diagram for RVs illustrates the intricate web of electrical circuits powering your recreational vehicle. Circuits delineate the path of electricity flow, from the power source to various components such as lights, appliances, and outlets. Understanding how circuits are structured and interconnected is vital for troubleshooting issues, planning modifications, and ensuring optimal performance of your RV's electrical system.

Identifying Key Components in the Wiring System

Identifying Key Components in the Wiring System

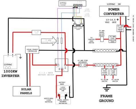
Within a Coachman camper wiring diagram RV, numerous components play crucial roles in the electrical system. These components include batteries, converters, inverters, fuses, breakers, and various wires and connectors. Identifying these components within the diagram provides insight into their function and location within your RV, aiding in troubleshooting and maintenance efforts.

Troubleshooting Common Wiring Issues

Troubleshooting Common Wiring Issues

Despite meticulous planning, wiring issues may arise in RVs. Coachman camper wiring diagrams for RVs serve as invaluable tools for diagnosing and resolving these issues. Common problems include shorts, open circuits, and faulty connections. By referencing the wiring diagram and systematically testing components and connections, you can pinpoint and rectify issues, ensuring your RV's electrical system operates reliably.

Ensuring Proper Grounding and Wiring Connections

Ensuring Proper Grounding and Wiring Connections

Proper grounding and wiring connections are fundamental to the safety and functionality of your RV's electrical system. Grounding provides a path for excess electricity to dissipate harmlessly, reducing the risk of electrical shock or fire. Wiring connections must be secure to maintain uninterrupted electrical flow and prevent overheating or damage. Referencing Coachman camper wiring diagrams for RVs ensures adherence to proper wiring practices, safeguarding both your vehicle and its occupants.

Upgrading and Modifying Your RV's Electrical Setup

Upgrading and Modifying Your RV's Electrical Setup

As technology advances and personal preferences evolve, you may consider upgrading or modifying your RV's electrical system. Whether installing solar panels, upgrading appliances, or adding new outlets, Coachman camper wiring diagrams for RVs provide invaluable guidance. By carefully planning modifications and referencing the wiring diagram, you can ensure compatibility, safety, and efficiency in your electrical upgrades.

Maintaining Safety Standards in Wiring Installations

Maintaining Safety Standards in Wiring Installations

Safety should always be paramount when working with electrical systems. Adhering to established safety standards and guidelines minimizes the risk of accidents or injuries. When referencing Coachman camper wiring diagrams for RVs, prioritize safety protocols such as disconnecting power sources, using appropriate tools and materials, and seeking professional assistance when necessary.

Consulting Resources for Further Wiring Assistance

Consulting Resources for Further Wiring Assistance

Despite the comprehensiveness of Coachman camper wiring diagrams for RVs, you may encounter scenarios requiring additional expertise or guidance. Utilize resources such as manufacturer manuals, online forums, or professional electricians to address complex wiring issues or clarify diagram intricacies. By leveraging available resources, you can enhance your understanding and proficiency in managing your RV's electrical system.

Sources:

  • RV Repair Club: https://www.rvrepairclub.com/article/electrical-wiring-tips-12-volt-wiring-diagrams-for-rvs/
  • Camping World: https://blog.campingworld.com/rv-basics/rv-electrical-systems/

Coachman camper wiring diagram RV. in Professional's eye

When it comes to understanding the electrical system of your RV, Coachman camper wiring diagram RV is an indispensable tool. These diagrams provide a detailed visual representation of the wiring setup within your recreational vehicle, allowing for easier troubleshooting, maintenance, and modifications. Whether you're a seasoned RV enthusiast or a novice owner, deciphering these diagrams is crucial for ensuring the safety and functionality of your vehicle's electrical components.

Coachman camper wiring diagram RV

Understanding Coachman Camper Wiring Diagram Symbols

At first glance, a Coachman camper wiring diagram for RVs may seem daunting with its array of symbols and lines. However, each symbol serves a specific purpose, representing various electrical components and connections within the system. Common symbols include lines for wires, circles for connections, and squares for switches or outlets. Familiarizing yourself with these symbols is akin to learning a new language, enabling you to interpret the diagram accurately.

Understanding Coachman Camper Wiring Diagram Symbols

Deciphering Electrical Circuits in Your RV

One of the primary functions of a Coachman camper wiring diagram RV is to illustrate the electrical circuits within your vehicle. Circuits depict the path of electricity flow from the power source to various components such as lights, appliances, and outlets. Understanding how these circuits are structured and interconnected is essential for troubleshooting issues and planning modifications. By following the circuitry outlined in the diagram, you can ensure optimal performance of your RV's electrical system.

Deciphering Electrical Circuits in Your RV

Identifying Key Components in the Wiring System

Within a Coachman camper wiring diagram RV, numerous components play crucial roles in the electrical system. These components include batteries, converters, inverters, fuses, breakers, and various wires and connectors. Identifying these components within the diagram provides insight into their function and location within your RV, aiding in troubleshooting and maintenance efforts.

Identifying Key Components in the Wiring System

Troubleshooting Common Wiring Issues

Despite meticulous planning, wiring issues may arise in RVs. Coachman camper wiring diagrams for RVs serve as invaluable tools for diagnosing and resolving these issues. Common problems include shorts, open circuits, and faulty connections. By referencing the wiring diagram and systematically testing components and connections, you can pinpoint and rectify issues, ensuring your RV's electrical system operates reliably.

Troubleshooting Common Wiring Issues

Ensuring Proper Grounding and Wiring Connections

Proper grounding and wiring connections are fundamental to the safety and functionality of your RV's electrical system. Grounding provides a path for excess electricity to dissipate harmlessly, reducing the risk of electrical shock or fire. Wiring connections must be secure to maintain uninterrupted electrical flow and prevent overheating or damage. Referencing Coachman camper wiring diagrams for RVs ensures adherence to proper wiring practices, safeguarding both your vehicle and its occupants.

Ensuring Proper Grounding and Wiring Connections

Upgrading and Modifying Your RV's Electrical Setup

As technology advances and personal preferences evolve, you may consider upgrading or modifying your RV's electrical system. Whether installing solar panels, upgrading appliances, or adding new outlets, Coachman camper wiring diagrams for RVs provide invaluable guidance. By carefully planning modifications and referencing the wiring diagram, you can ensure compatibility, safety, and efficiency in your electrical upgrades.

Upgrading and Modifying Your RV's Electrical Setup

Maintaining Safety Standards in Wiring Installations

Safety should always be paramount when working with electrical systems. Adhering to established safety standards and guidelines minimizes the risk of accidents or injuries. When referencing Coachman camper wiring diagrams for RVs, prioritize safety protocols such as disconnecting power sources, using appropriate tools and materials, and seeking professional assistance when necessary.

Maintaining Safety Standards in Wiring Installations

Consulting Resources for Further Wiring Assistance

Despite the comprehensiveness of Coachman camper wiring diagrams for RVs, you may encounter scenarios requiring additional expertise or guidance. Utilize resources such as manufacturer manuals, online forums, or professional electricians to address complex wiring issues or clarify diagram intricacies. By leveraging available resources, you can enhance your understanding and proficiency in managing your RV's electrical system.

Consulting Resources for Further Wiring Assistance

Sources:

  • RV Repair Club: https://www.rvrepairclub.com/article/electrical-wiring-tips-12-volt-wiring-diagrams-for-rvs/
  • Camping World: https://blog.campingworld.com/rv-basics/rv-electrical-systems/

Point of Views : Coachman camper wiring diagram RV.
  • Coachman camper wiring diagram RV is an essential tool for understanding the electrical system of your recreational vehicle.
  • These diagrams provide a visual representation of the wiring setup, including components and connections.
  • Understanding the symbols used in the diagram is crucial for accurate interpretation.
  • You can use the wiring diagram to identify circuits, troubleshoot issues, and plan modifications.
  • Ensure proper grounding and wiring connections following the guidelines depicted in the diagram.
  • Referencing resources and seeking professional assistance can enhance your understanding and proficiency in managing your RV's electrical system.
Conclusion :

As we conclude our exploration of Coachman camper wiring diagram RV, we hope you've gained valuable insights into understanding and utilizing these indispensable tools for maintaining and enhancing your recreational vehicle's electrical system. By deciphering the symbols and circuits outlined in the diagram, you can effectively troubleshoot issues, identify key components, and ensure proper grounding and wiring connections. Whether you're embarking on a cross-country journey or enjoying a weekend getaway, knowledge of your RV's wiring diagram empowers you to navigate the complexities of its electrical system with confidence and efficiency.

In the journey of RV ownership, continuous learning and adaptation are essential. We encourage you to delve deeper into the resources available, seek professional assistance when needed, and share your experiences with fellow enthusiasts. Together, we can cultivate a community of informed and empowered RV owners, equipped with the knowledge and skills to embrace the adventures that lie ahead. Thank you for joining us on this journey, and we look forward to continuing to explore the intricacies of RV wiring and beyond in future discussions.

Questions and Answer for Coachman camper wiring diagram RV.

When it comes to Coachman camper wiring diagram RV, people often have various questions. Here are some common queries along with their answers:

  • 1. What does a Coachman camper wiring diagram RV show?
  • The diagram illustrates the electrical setup within a Coachman camper RV, depicting components, connections, and circuits.

  • 2. How can I understand the symbols used in the wiring diagram?
  • Familiarize yourself with common symbols such as lines for wires, circles for connections, and squares for switches or outlets. Reference a symbol key for clarification.

  • 3. Why is it important to decipher electrical circuits in my RV?
  • Understanding circuits helps in troubleshooting issues, planning modifications, and ensuring optimal performance of the electrical system.

  • 4. What are the key components I should identify in the wiring system?
  • Look for batteries, converters, inverters, fuses, breakers, and various wires and connectors within the diagram.

  • 5. How can I troubleshoot common wiring issues using the diagram?
  • Refer to the diagram to identify shorts, open circuits, or faulty connections, and systematically test components for resolution.

Label :Coachman camper, wiring diagram, RV, electrical system, symbols

Keyword : Coachman camper wiring diagram RV.

Comments

Popular posts from this blog

Unlock the Secrets: Food for Today Student Activity Manual Answer Key Revealed!

Unlock Efficiency: 5 Steps to Master Your Corvette Fuel Pump Wiring Diagram

Unlock the Ultimate Guide: Ford Excursion Trailer Brake Wiring Diagram